Slant *        6        Forum
Home Home Home
The Place to Go for Slant Six Info!
Click here to help support the Slant Six Forum!
It is currently Fri Dec 26, 2025 5:49 pm

All times are UTC-08:00




Post new topic  Reply to topic  [ 13 posts ] 
Author Message
 Post subject: Correct diagram or not?
PostPosted: Sat Dec 14, 2019 8:14 am 
Offline
TBI Slant 6

Joined: Sat Jul 08, 2017 2:06 pm
Posts: 173
Location: NC
Car Model: 78’ dodge D100 slant six
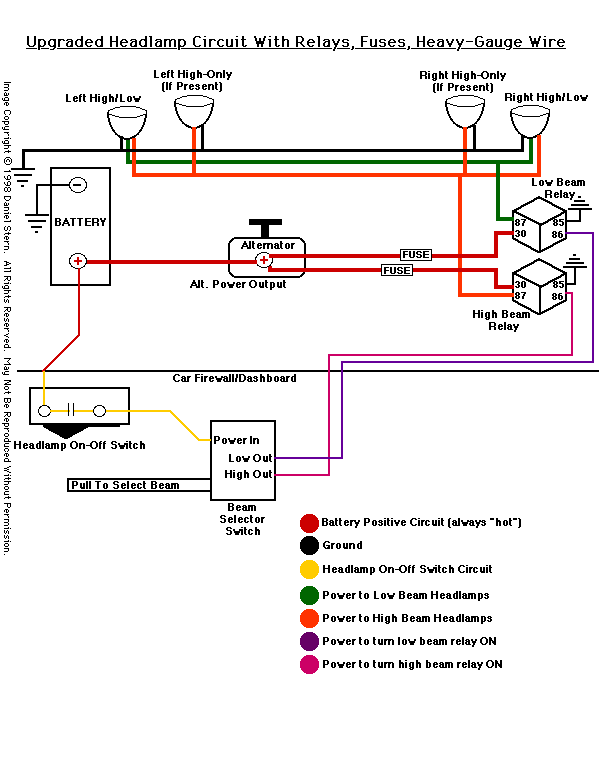
Planning on changing the headlights to relays since I have headlight flicker after updating all my ignition etc. my headlights and instrument lights flicker. Is the right diagram or do I need to look more?


Attachments:
B811BA6D-769B-4865-83CD-92C73ABC681B.gif
B811BA6D-769B-4865-83CD-92C73ABC681B.gif [ 11.87 KiB | Viewed 6503 times ]
Top
   
PostPosted: Sat Dec 14, 2019 10:17 am 
Offline
Board Sponsor & Contributor

Joined: Thu Oct 31, 2002 5:39 pm
Posts: 24803
Location: North America
Car Model:
That diagram is from my website. It's for a 4-headlamp car; the linked page also has the correct diagram for a 2-headlamp car. Also see here.

_________________
一期一会
Too many people who were born on third base actually believe they've hit a triple.

Image


Top
   
PostPosted: Sat Dec 14, 2019 11:31 am 
Offline
TBI Slant 6

Joined: Sat Jul 08, 2017 2:06 pm
Posts: 173
Location: NC
Car Model: 78’ dodge D100 slant six
Quote:
That diagram is from my website. It's for a 4-headlamp car; the linked page also has the correct diagram for a 2-headlamp car. Also see here.
Thanks Dan :D


Top
   
PostPosted: Wed Jun 03, 2020 7:52 pm 
Offline
TBI Slant 6

Joined: Sat Jul 08, 2017 2:06 pm
Posts: 173
Location: NC
Car Model: 78’ dodge D100 slant six
So after I put the lights on relays I’m still getting the high quick flicker. When I rev it some it either goes away or is to fast to see. What am I missing? Is something else wrong? Grounds are clean and tight.

Edit. The harness I have hooks to the battery and not the alt. Is this perhaps the problem? Also the dash lights do the same thing :(


Top
   
PostPosted: Thu Jun 04, 2020 10:16 am 
Offline
Board Sponsor & Contributor

Joined: Thu Oct 31, 2002 5:39 pm
Posts: 24803
Location: North America
Car Model:
Quote:
So after I put the lights on relays I’m still getting the high quick flicker. When I rev it some it either goes away or is to fast to see. What am I missing?
Your charging system needs attention.
Quote:
The harness I have hooks to the battery and not the alt. Is this perhaps the problem?
No. Tell us about your charging system. Is this a '69-down single-field system, or a '70-up dual-field? What are you running for an alternator (old original, "remanufactured" from the parts store, something else)? For a regulator? Please post pics.

_________________
一期一会
Too many people who were born on third base actually believe they've hit a triple.

Image


Top
   
PostPosted: Fri Jun 05, 2020 7:15 pm 
Offline
TBI Slant 6

Joined: Sat Jul 08, 2017 2:06 pm
Posts: 173
Location: NC
Car Model: 78’ dodge D100 slant six
I did the upgrade to the charging system as detailed here in the forum. I believe it was your post Dan, can’t remember exactly. Also have changed over to HEI as per your post as well (runs way better too!)
Voltage reg is a new one, alt is a standard ac Delco reman. Charging system works great as such. As I said though it flickers at idle and goes away when accelerating or cruising.

Edit. It’s a 78 dodge truck. So 70’s and up system.


Top
   
PostPosted: Sat Jun 06, 2020 4:05 pm 
Offline
Board Sponsor & Contributor

Joined: Thu Oct 31, 2002 5:39 pm
Posts: 24803
Location: North America
Car Model:
Quote:
I did the upgrade to the charging system as detailed here in the forum. I believe it was your post Dan, can’t remember exactly.
I'm Guessing you might mean you ran two 10ga wires, fused at each end, from the alternator's output stud to battery +...but I've posted over 23,000 posts to this board, including a fair number about charging systems, so I don't know for sure which one you mean.
Quote:
Voltage reg is a new one
A new one what? What brand, what part number?
Quote:
alt is a standard ac Delco reman
That last word ("reman") makes it a suspect in this case.

If you'd like to grasp at a quick fix to see if you get lucky, run a ground wire from the alternator housing (many of them have a "GND" or "GRD" hole on the back—use a short screw so you don't jam the rotor or do other damage) to the voltage regulator base, and from the regulator base to the battery negative terminal.

_________________
一期一会
Too many people who were born on third base actually believe they've hit a triple.

Image


Top
   
PostPosted: Sat Jun 06, 2020 11:33 pm 
Offline
TBI Slant 6

Joined: Sat Jul 08, 2017 2:06 pm
Posts: 173
Location: NC
Car Model: 78’ dodge D100 slant six
Quote:
Quote:
I did the upgrade to the charging system as detailed here in the forum. I believe it was your post Dan, can’t remember exactly.
I'm Guessing you might mean you ran two 10ga wires, fused at each end, from the alternator's output stud to battery +...but I've posted over 23,000 posts to this board, including a fair number about charging systems, so I don't know for sure which one you mean.
Can’t remember right off hand but I did it when my ammeter burned up.
Quote:
Voltage reg is a new one
A new one what? What brand, what part number?
Not sure. Standard brand I believe it was
Quote:
alt is a standard ac Delco reman
That last word ("reman") makes it a suspect in this case.

If you'd like to grasp at a quick fix to see if you get lucky, run a ground wire from the alternator housing (many of them have a "GND" or "GRD" hole on the back—use a short screw so you don't jam the rotor or do other damage) to the voltage regulator base, and from the regulator base to the battery negative terminal.
This I have already done.
I’ll try to get some details soon


Top
   
PostPosted: Sat Jun 06, 2020 11:38 pm 
Offline
TBI Slant 6

Joined: Sat Jul 08, 2017 2:06 pm
Posts: 173
Location: NC
Car Model: 78’ dodge D100 slant six
This thread dan. I did the fields relay for the alternator

http://www.slantsix.org/forum/viewtopic.php?t=15779

Heavy duty charging I believe is what was said


Top
   
PostPosted: Wed Jun 10, 2020 2:26 pm 
Offline
TBI Slant 6

Joined: Sat Jul 08, 2017 2:06 pm
Posts: 173
Location: NC
Car Model: 78’ dodge D100 slant six
Well I have a gremlin as well. It runs but has a misfire that shows up and then goes away. Also after doing some wire “giggling” I noticed that the wire on my regulator is funky. I giggled it and it full fielded. So I cut it off right quick. At least I know my alt is working. Also my regulator is hot. Not as hot as the older I took off was so that’s also a sign to me. These gremlins are getting on my nerves. Most of my wiring has been gone through and checked several times for shorts etc. Nothing has been found yet. I am going to reground and check all the grounds again.
As dan asked. Yes the alt is grounded through a wire. The volt reg is as well but neither of these are going to the battery which will be solved soon, after I fix the reg full field problem. Also I’ve been using the search function and found some other things to try as well. Dan, the volt reg is a standard motor products with a adjustable pot. The alt is part #3342089 ac delco. The reg is
PREMIUM VOLTAGE REGULATOR MADE BY TRANSPO no way to know the number sorry. Found it. Vr125t


Top
   
PostPosted: Wed Jun 10, 2020 3:07 pm 
Offline
Board Sponsor & Contributor

Joined: Thu Oct 31, 2002 5:39 pm
Posts: 24803
Location: North America
Car Model:
Don't buy T-suffix parts from Standard (the green-box "Tru-Tech" items are their cheap "value line" items). Maybe get a real Chrysler regulator (and maybe a better, non-"remanufactured" new alternator) from Old Car Parts Northwest.

_________________
一期一会
Too many people who were born on third base actually believe they've hit a triple.

Image


Top
   
PostPosted: Wed Jun 10, 2020 3:43 pm 
Offline
TBI Slant 6

Joined: Sat Jul 08, 2017 2:06 pm
Posts: 173
Location: NC
Car Model: 78’ dodge D100 slant six
Quote:
Don't buy T-suffix parts from Standard (the green-box "Tru-Tech" items are their cheap "value line" items). Maybe get a real Chrysler regulator (and maybe a better, non-"remanufactured" new alternator) from Old Car Parts Northwest.
Well this issue now is it’s full fielding all the time when plugged into the VR. Didn’t do this till I giggled the wire at the VR. So now I have to fix that before I can do anything else. Hope I didn’t fry the alt but it was only on for few seconds before I caught it. I also checked another VR and it’s doing the same thing.


Top
   
PostPosted: Wed Jun 10, 2020 6:27 pm 
Offline
TBI Slant 6

Joined: Sat Jul 08, 2017 2:06 pm
Posts: 173
Location: NC
Car Model: 78’ dodge D100 slant six
Quote:
Quote:
Don't buy T-suffix parts from Standard (the green-box "Tru-Tech" items are their cheap "value line" items). Maybe get a real Chrysler regulator (and maybe a better, non-"remanufactured" new alternator) from Old Car Parts Northwest.
Well this issue now is it’s full fielding all the time when plugged into the VR. Didn’t do this till I giggled the wire at the VR. So now I have to fix that before I can do anything else. Hope I didn’t fry the alt but it was only on for few seconds before I caught it. I also checked another VR and it’s doing the same thing.
Well that was not fun but I actually fixed both the flicker and the VR. Apparently the wire came loose which was also causing the flicker. It will NOT come loose again as I soldered it like nasa does it’s wiring. So now both issues with that are gone and now I move on to the misfire issue that comes and goes :(


Top
   
Display posts from previous:  Sort by  
Post new topic  Reply to topic  [ 13 posts ] 

All times are UTC-08:00


Who is online

Users browsing this forum: No registered users and 11 guests


You cannot post new topics in this forum
You cannot reply to topics in this forum
You cannot edit your posts in this forum
You cannot delete your posts in this forum
You cannot post attachments in this forum

Search for:
Jump to:  
Powered by phpBB® Forum Software © phpBB Limited