Slant *        6        Forum
Home Home Home
The Place to Go for Slant Six Info!
Click here to help support the Slant Six Forum!
It is currently Tue Oct 28, 2025 11:13 pm

All times are UTC-07:00




Post new topic  Reply to topic  [ 10 posts ] 
Author Message
 Post subject: Hemi prototype *PIC*
PostPosted: Tue Oct 01, 2002 8:31 am 
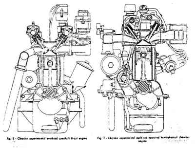
Experimental Hemi prototypes from the '40s... I believe the motor on the right is based on a modified production L-head block, the larger series.

I wish that Plymouth would had stuck with inline sixes thru the 50's and used one of these designs as the performance motor!

This image is posted by gtk at <A HREF="http://www.p15-d24.com">www.p15-d24.com</A>

Image


Top
   
 Post subject: Re: Hemi prototype
PostPosted: Tue Oct 01, 2002 10:29 am 
A DOHC, crossflow, Mopar six with only a road-draft tube for emmissions control???!!! Where do I sign up? Gimme! Yes, I'm willing to graft a blister onto my Dart's hood for clearance!

'Course, that generator will have to go...

---Red


Top
   
 Post subject: Re: Hemi prototype
PostPosted: Tue Oct 01, 2002 1:44 pm 
Quote:
: A DOHC, crossflow, Mopar six with only a
: road-draft tube for emmissions control???!!!
: Where do I sign up? Gimme! Yes, I'm willing
: to graft a blister onto my Dart's hood for
: clearance!
:
: 'Course, that generator will have to go...
:
: ---Red


the aussie's got the hemi six for their cars. check this site out <A HREF="http://www.hemiperformance.com.au/">htt ... com.au/</A>

snarl@net-change.com


Top
   
 Post subject: Re: Hemi prototype
PostPosted: Tue Oct 01, 2002 5:18 pm 
Quote:
: the aussie's got the hemi six for their cars.
: check this site out
: <A HREF="http://www.hemiperformance.com.au/">htt ... com.au/</A>

Nice looking cars for sale down-under! Any body Know what it would cost to ship a car to the west coast (USA)? MAD MAX will be playing at my house tonight B.Y.O.B.

Magicalbus@hotmail.com


Top
   
 Post subject: Aussie cars to USA
PostPosted: Tue Oct 01, 2002 6:19 pm 
Quote:
: Nice looking cars for sale down-under! Any body
: Know what it would cost to ship a car to the
: west coast (USA)? MAD MAX will be playing at
: my house tonight B.Y.O.B.


Be VERY careful if you start thinking seriously about this. The hitch (other than vehicle price [if it's a hemi] and shipping costs) used to be NTSB Regulations. I remember reading in the old Slant 6 News about a guy named Bryan Bayer who shipped an '72 E49 R/T (hemi)Charger up here only to go through HELL with the US Department of Transportation. He wound up having to store the car in a museum for 4 years before he was actually allowed to drive it legally on the street. It cost Bayer $2400 to ship his E49 up here from Brisbane (in 1993). Add to that that these cars are relatively rare and sought after even in OZ (Bayer stated that in 1993, original, E49 R/Ts were fetching $15,000-$30,000 US + shipping).

In other words: do your homework on current US regulations regarding imported cars THOROUGHLY or you may be in for some unpleasant, unexpected developments. Who knows what the EPA might have to say about it? Though Bayer's problems hinged on the fact that his car was not yet 25 years old when he tried to bring it into the country, experience indicates that automotive regulations are a political football that has a nasty habit of changing without notice or reason.

On the up side: currently, the US dollar is very strong against the AUS$.

---Red


Top
   
 Post subject: Re: Aussie cars to USA
PostPosted: Tue Oct 01, 2002 6:46 pm 
There are some of the regular hemi-6 cars in the US some drive, some are in a Georgian Junkyard (I think)...
It probably would be possible to refit a hemi-6 to the triple weber combo...

Recently someone in Cali took one to the dragstrip on "Ford" (did I say that???) night.
He beat out some pretty well built 5.0 fuddstangs... Afterwards a few of the drivers went to go shake his hand and commented that had to be the worst running Hemi car they've ever seen since it couldn't break a 13 second 1/4 mile... He opened the hood and showed them it was a couple cylinders short.... :)

Wish I could dig up the mopar rag I had that covered these neat cars... I've even had an Australian ask me about my Feather Duster recently and asked when I was going to put a hemi under the hood (at least I know he doesn't mean a big block....)

-D.Idiot


Top
   
 Post subject: Re: Hemi prototype
PostPosted: Tue Oct 01, 2002 7:05 pm 
Quote:
: Nice looking cars for sale down-under! Any body
: Know what it would cost to ship a car to the
: west coast (USA)? MAD MAX will be playing at
: my house tonight B.Y.O.B.

Bruse

Another thought other than inporting a whole car is to get you a Aussie Engine.The Ford Boys have been getting V/8 & 6 cyl.Heads,etc.I got a 250 Aussie Ford Crossflow EFI and it was delivered and unloaded at the front door of my shop for around $300.00 + cost of Engine.Complete down to starter,etc.I hope to put it in a 66 Falcon this winter.Phil the guy i got it from lives in Oregon and imports by a large shiping container to Washington.I am sure he could get Mopar parts allso,can find out for you if needed.I just put in a order for his next shiping,saves a lot of Money & Hassel as it was tied up at customs for two weeks,but i was kept well informed with pictures & emails...Arthur


Top
   
 Post subject: Re: Hemi prototype
PostPosted: Tue Oct 01, 2002 10:20 pm 
The Australian "hemi" isn't a true hemi, not a cross-flow motor. The #7 pushrod has the classic valve train layout that's used again on the new 5.7 Ram hemi. The Aussie hemi was powerful, but it looks more like a Ford inline six. The #7 prototype motors were built on a modified 251 stock L-head Chrysler block, as with the Aussie hemi these "big" blocks were built up to 265 inches.

I heard a rumor a couple years ago that someone was recasting these heads, but heard nothing since. The blocks on these motors are similar in strength to a slant six, they might be stronger as they're not thin wall and plenty heavy, they are stoker motors. I have the 236 version of this block motor, the 236 has 8" long rods.
Quote:
:
: the aussie's got the hemi six for their cars.
: check this site out
: <A HREF="http://www.hemiperformance.com.au/">http://www.hemiperformance.com.au/</A>


Top
   
 Post subject: Re: Aussie cars to USA
PostPosted: Tue Oct 01, 2002 10:27 pm 
Brian and Kenny Bayer have a shop outside of Atlanta in Austell GA, they've also got a '65 Valiant Ute, I believe this is called a Wayfarer. The E49 sat in a warehouse at the Savannah docks for a long time before they found a way to get it to a museum.
Quote:
:
: used to be NTSB Regulations. I remember
: reading in the old Slant 6 News about a guy
: named Bryan Bayer who shipped an '72 E49 R/T
: (hemi)Charger up here only to go through
: HELL with the US Department of
:


Top
   
 Post subject: Re: Aussie cars to USA
PostPosted: Fri Oct 04, 2002 1:10 am 
Here is some info and images for you.

http://www.aussiecoupes.com/charger.html


Top
   
Display posts from previous:  Sort by  
Post new topic  Reply to topic  [ 10 posts ] 

All times are UTC-07:00


Who is online

Users browsing this forum: Bing [Bot] and 10 guests


You cannot post new topics in this forum
You cannot reply to topics in this forum
You cannot edit your posts in this forum
You cannot delete your posts in this forum
You cannot post attachments in this forum

Search for:
Jump to:  
Powered by phpBB® Forum Software © phpBB Limited